Запасные части ЧТЗ Запасные части ЧТЗ
Самара
Например:
Актобе
Алдан
или
Выбрать автоматически
Актобе
Алдан
Алматы
Алчевск
Архангельск
Астана
Астрахань
Атырау
Баку
Балашиха
Барнаул
Белгород
Бердянск
Бишкек
Владивосток
Владикавказ
Воркута
Воронеж
Горловка
Грозный
Донецк
Екатеринбург
Иваново
Ижевск
Иркутск
Казань
Калининград
Каменск-Уральский
Караганда
Каховка
Кемерово
Киров
Комсомольск-на-Амуре
Костанай
Краснодар
Красноярск
Красный луч
Ленск
Луганск
Магадан
Магнитогорск
Макеевка
Махачкала
Мелитополь
Минск
Мирный (Якутия)
Москва
Мурманск
Нерюнгри
Нижневартовск
Нижний Новгород
Нижний Тагил
Новая каховка
Новокузнецк
Новосибирск
Новый Уренгой
Норильск
Ноябрьск
Нур-Султан
Омск
Оренбург
Ош
Павлодар
Пермь
Петрозаводск
Петропавловск
Петропавловск-Камчатский
Псков
Ростов-на-Дону
Салехард
Самара
Санкт-Петербург
Саратов
Севастополь
Семей
Симферополь
Сочи
Ставрополь
Сургут
Сыктывкар
Тараз
Ташкент
Токмак
Томск
Тында
Тюмень
Ульяновск
Усинск
Усть-Каменогорск
Уфа
Хабаровск
Ханты-Мансийск
Херсон
Челябинск
Чита
Шымкент
Экибастуз
Энергодар
Южно-Сахалинск
Якутск
Ваш город
Самара
Войти
Запасные части к тракторам на одном сайте
+7 (932) 303-00-10
+7 (932) 303-00-10
г. Самара, ул. Демократическая, д. 45а
Пн-Пт: 9:30-18:30 Cб-Вс: Выходной
Отправить заявку


Смазка трансмиссии на Т-130


/
с НДС 20%
Описание
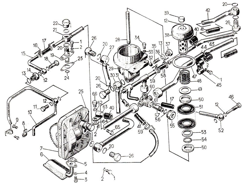
Система смазки трансмиссии 24-60-1СП и 20-60-3СП 1 на Т-130
# Номер запчасти Наименование детали Кол-во в сборке
20-60-119СП Труба 1
24-00-107СП Кран 1
24-60-111СП Фильтр 1
50-60-200СП Насос 1
1 Болт М10×25.46.019 7
2 Шайба 10ОТ 65Г 09 15
3 Болт М8×16.58.019 2
4 Шайба 8Т 65Г 09 2
5 40751 Прокладка 1
6 50-60-201СП Маслоприемник 1
7 700-40-3788-1 Прокладка 1
8 08414 Скоба 2
9 Болт М10×18.58.019 2
10 24-60-151СП Труба 1
11 700-41-3249 Штуцер 1
12 40911 Кольцо 6
13 Кольцо 24×30 1
14 700-41-2976 Ниппель 1
15 24-60-144СП Труба 1
16 Хомут 15 4
17 700-40-3481 Рукав 2
18 700-41-2974 Штуцер 1
19 50-60-218 Крышка 1
20 40910 Кольцо 12
21 50-60-204СП Труба 1
21 50-60-205СП Труба 1
22 700-41-3017 Гайка 1
23 700-40-6769 Прокладка 1
24 Кольцо 014-018-25-2-2 1
25 50-60-199СП Насос масляный 1
26 700-41-3306 Болт 5
27 24-60-147СП Труба 1
28 700-29-2086 Шпилька 1
29 24-60-22 Корпус фильтра 1
30 50-60-203СП; 20-60-121СП 1 Труба 1
31 50-60-202СП; 20-60-120СП 1 Труба 1
32 Шарик БV 22,225 mm H 1
33 Шайба 12ОТ 65Г 09 2
34 2816 Болт 2
35 700-38-2298 Пружина 1
36 31312 Шайба 1
37 700-41-2853 Штуцер 1
38 24-60-29 Крышка 1
39 16-27-5 Гайка 1
40 42212 Муфточка 7
41 700-46-2063 Рукав 2
42 24-60-145СП Труба 2
43 24-60-55 Труба 1
44 24-60-146СП Труба 1
45 09745 Прижим 2
46 700-41-3248 Зажим 1
47 700-40-5379 Прокладка 1
48 700-38-2112 Пружина 1
49 700-31-2042 Шайба 1
50 46485 Кольцо Z
51 18-26-161СП Фильтроэлемент 95-080 17
52 24-60-150СП Труба 1
53 28-60-11 Кольцо 1
54 18-26-211 Кольцо 1
55 700-41-3338 Гайка 1
56 Кольцо 020-025-30-2-2 1
57 24-60-17 Втулка 1
58 700-40-5966 Рукав 1
59 Хомут 30 6
60 24-60-13 Корпус 1
61 700-32-2039 Штифт 1
62 Шайба 16ОТ 65Г 09 1
63 700-41-3022 Хомут 1
64 31477 Шайба 2
65 Болт М10×30.58.019 6
66 Болт М16×75.58.019 1
1 Для болотоходных тракторов.
Смазка трансмиссии