Запасные части ЧТЗ Запасные части ЧТЗ
Самара
Например:
Актобе
Алдан
или
Выбрать автоматически
Актобе
Алдан
Алматы
Алчевск
Архангельск
Астана
Астрахань
Атырау
Баку
Балашиха
Барнаул
Белгород
Бердянск
Бишкек
Владивосток
Владикавказ
Воркута
Воронеж
Горловка
Грозный
Донецк
Екатеринбург
Иваново
Ижевск
Иркутск
Казань
Калининград
Каменск-Уральский
Караганда
Каховка
Кемерово
Киров
Комсомольск-на-Амуре
Костанай
Краснодар
Красноярск
Красный луч
Ленск
Луганск
Магадан
Магнитогорск
Макеевка
Махачкала
Мелитополь
Минск
Мирный (Якутия)
Москва
Мурманск
Нерюнгри
Нижневартовск
Нижний Новгород
Нижний Тагил
Новая каховка
Новокузнецк
Новосибирск
Новый Уренгой
Норильск
Ноябрьск
Нур-Султан
Омск
Оренбург
Ош
Павлодар
Пермь
Петрозаводск
Петропавловск
Петропавловск-Камчатский
Псков
Ростов-на-Дону
Салехард
Самара
Санкт-Петербург
Саратов
Севастополь
Семей
Симферополь
Сочи
Ставрополь
Сургут
Сыктывкар
Тараз
Ташкент
Токмак
Томск
Тында
Тюмень
Ульяновск
Усинск
Усть-Каменогорск
Уфа
Хабаровск
Ханты-Мансийск
Херсон
Челябинск
Чита
Шымкент
Экибастуз
Энергодар
Южно-Сахалинск
Якутск
Ваш город
Самара
Войти
Запасные части к тракторам на одном сайте
+7 (932) 303-00-10
+7 (932) 303-00-10
г. Самара, ул. Демократическая, д. 45а
Пн-Пт: 9:30-18:30 Cб-Вс: Выходной
Отправить заявку


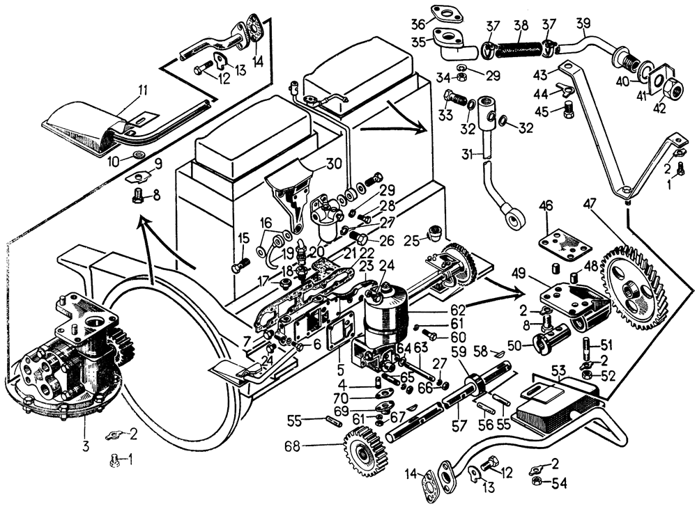
Система смазки для болотоходных тракторов на Т-130


/
с НДС 20%
Описание
Система смазки для болотоходных тракторов 51-09-5СП на Б-130
# Номер запчасти Наименование детали Кол-во в сборке
09237СП Кронштейн 1
16-09-149СП Привод насоса 1
1 Болт М10×30.58.019 5
2 3137 Шайба стопорная 9
3 29-09-124СП Насос масляный 1
4 700-29-2146 Шпилька 4
5 700-40-4746 Прокладка 1
6 Болт М10×55.58.019 5
7 379 Пробка 1
8 Болт М10×25.58.019 3
9 3198 Шайба стопорная 1
10 31308 Шайба 1
11 51-09-162СП Маслоприемник 1
12 Болт М8×20.58.019 4
13 31366 Шайба стопорная 4
14 40751 Прокладка 2
15 Болт Д18-051; 2
16 Прокладка СМД-1539А 1
17 700-41-3164 Штуцер 1
18 700-41-3008 Штуцер 1
19 51-09-167СП Труба 1
20 Фильтр 17К-28С9АУ 1
21 700-40-7194 Прокладка 1
22 700-40-6944 Прокладка 1
23 16-09-135 Плита маслораспределительная 1
24 375 Пробка 2
25 41207-1 Колено 1
26 Болт М12×35.58.019 3
27 Шайба 12ОТ 65Г 09 7
28 Болт М8×25.58.019 2
29 Шайба 8Т 65Г 09 4
30 51-09-124 Кронштейн 1
31 51-09-166СП Труба 1
32 Кольцо 14×20 2
33 700-41-2917 Штуцер 1
34 Гайка М8×6.019 2
35 51-09-129СП Труба 1
36 700-40-5650 Прокладка 1
37 Хомут 26 2
38 46849 Рукав 1
39 51-09-130СП Труба 1
40 40910 Кольцо 1
41 3173 Пластина стопорная 1
42 3069 Гайка 1
43 51-09-173СП Кронштейн 1
44 31536 Шайба стопорная 1
45 Болт M16×30.58.019 1
46 46507 Прокладка 2
47 09241 Шестерня 1
48 32211 Штифт 2
49 09238 Кронштейн 1
50 09239 Втулка 1
51 700-29-2344 Шпилька 1
52 3084 Гайка 1
53 51-09-149СП Маслоприемник 1
54 Гайка M10.6.019 1
55 32268 Штифт 2
56 700-32-2187 Штифт 1
57 16-09-141 Валик 1
58 700-34-2031 Шпонка 2
59 09242 Кольцо упорное 1
60 Болт М10×45.58.019 3
61 Шайба 10ОТ 65Г 09 12
62 95.000 Центрифуга масляная 1
63 700-29-2233 Шпилька 3
64 3135 Шайба 4
65 700-29-2353 Шпилька 1
66 3010 Гайка 4
67 700-30-2099 Гайка 4
68 16-09-96 Шестерня 1
69 16-09-139 Фланец 2
70 700-40-4892 Прокладка 2

Система смазки для болотоходных тракторов