Запасные части ЧТЗ Запасные части ЧТЗ
Самара
Например:
Актобе
Алдан
или
Выбрать автоматически
Актобе
Алдан
Алматы
Алчевск
Архангельск
Астана
Астрахань
Атырау
Баку
Балашиха
Барнаул
Белгород
Бердянск
Бишкек
Владивосток
Владикавказ
Воркута
Воронеж
Горловка
Грозный
Донецк
Екатеринбург
Иваново
Ижевск
Иркутск
Казань
Калининград
Каменск-Уральский
Караганда
Каховка
Кемерово
Киров
Комсомольск-на-Амуре
Костанай
Краснодар
Красноярск
Красный луч
Ленск
Луганск
Магадан
Магнитогорск
Макеевка
Махачкала
Мелитополь
Минск
Мирный (Якутия)
Москва
Мурманск
Нерюнгри
Нижневартовск
Нижний Новгород
Нижний Тагил
Новая каховка
Новокузнецк
Новосибирск
Новый Уренгой
Норильск
Ноябрьск
Нур-Султан
Омск
Оренбург
Ош
Павлодар
Пермь
Петрозаводск
Петропавловск
Петропавловск-Камчатский
Псков
Ростов-на-Дону
Салехард
Самара
Санкт-Петербург
Саратов
Севастополь
Семей
Симферополь
Сочи
Ставрополь
Сургут
Сыктывкар
Тараз
Ташкент
Токмак
Томск
Тында
Тюмень
Ульяновск
Усинск
Усть-Каменогорск
Уфа
Хабаровск
Ханты-Мансийск
Херсон
Челябинск
Чита
Шымкент
Экибастуз
Энергодар
Южно-Сахалинск
Якутск
Ваш город
Самара
Войти
Запасные части к тракторам на одном сайте
+7 (932) 303-00-10
+7 (932) 303-00-10
г. Самара, ул. Демократическая, д. 45а
Пн-Пт: 9:30-18:30 Cб-Вс: Выходной
Отправить заявку


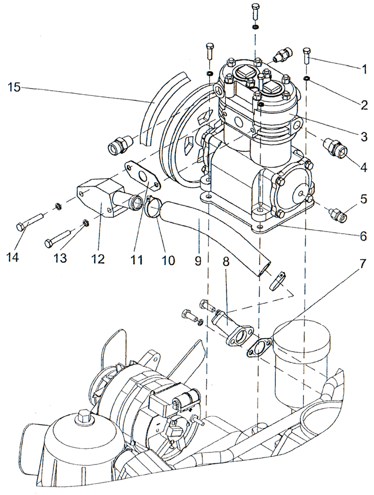
Установка компрессора ПК46


/
с НДС 20%
Описание
ПК46.42.10.000 Установка компрессора ПК46
Поз. Обозначение Наименование Кол. Масса
1 Болт M10-6g×25.58.019 (S16) ГОСТ 7798-70 4 0,025
2 Шайба 10.65Г.019 ГОСТ 6402-70 4 0,001
3 Компрессор 161.35.09012 ТУ(ТЭ) 4710418-001-92 1 19
4 ПК46.42.10.002 Штуцер 3 0,14
5 027.06.02.051 Штуцер 1 0,03
6 Прокладка фланца компрессора 236-1002283 1 0,005
7 ПК46.42.10.003 Прокладка 1 0,1
8 ПК46.42.10.040 Патрубок 1 0,15
9 ПК46.42.10.007 Рукав 1 0,1
10 Хомут винтовой Н-20 2 0,03
11 ПК46.42.10.033 Прокладка 1 0,05
12 ПК46.42.10.030 Патрубок впускной компрессора 1 0,89
13 Шайба 8.65Г.019 ГОСТ 6402-70 2 0,001
14 Болт М8-6g×50.58.019 (S13) ГОСТ 7798-70 2 0,028
15 Ремень 1 кл -11-14×10-937 ГОСТ 5813-93 1 0,05
Общий вес, кг 18
Установка компрессора