Запасные части ЧТЗ Запасные части ЧТЗ
Самара
Например:
Актобе
Алдан
или
Выбрать автоматически
Актобе
Алдан
Алматы
Алчевск
Архангельск
Астана
Астрахань
Атырау
Баку
Балашиха
Барнаул
Белгород
Бердянск
Бишкек
Владивосток
Владикавказ
Воркута
Воронеж
Горловка
Грозный
Донецк
Екатеринбург
Иваново
Ижевск
Иркутск
Казань
Калининград
Каменск-Уральский
Караганда
Каховка
Кемерово
Киров
Комсомольск-на-Амуре
Костанай
Краснодар
Красноярск
Красный луч
Ленск
Луганск
Магадан
Магнитогорск
Макеевка
Махачкала
Мелитополь
Минск
Мирный (Якутия)
Москва
Мурманск
Нерюнгри
Нижневартовск
Нижний Новгород
Нижний Тагил
Новая каховка
Новокузнецк
Новосибирск
Новый Уренгой
Норильск
Ноябрьск
Нур-Султан
Омск
Оренбург
Ош
Павлодар
Пермь
Петрозаводск
Петропавловск
Петропавловск-Камчатский
Псков
Ростов-на-Дону
Салехард
Самара
Санкт-Петербург
Саратов
Севастополь
Семей
Симферополь
Сочи
Ставрополь
Сургут
Сыктывкар
Тараз
Ташкент
Токмак
Томск
Тында
Тюмень
Ульяновск
Усинск
Усть-Каменогорск
Уфа
Хабаровск
Ханты-Мансийск
Херсон
Челябинск
Чита
Шымкент
Экибастуз
Энергодар
Южно-Сахалинск
Якутск
Ваш город
Самара
Войти
Запасные части к тракторам на одном сайте
+7 (932) 303-00-10
+7 (932) 303-00-10
г. Самара, ул. Демократическая, д. 45а
Пн-Пт: 9:30-18:30 Cб-Вс: Выходной
Отправить заявку


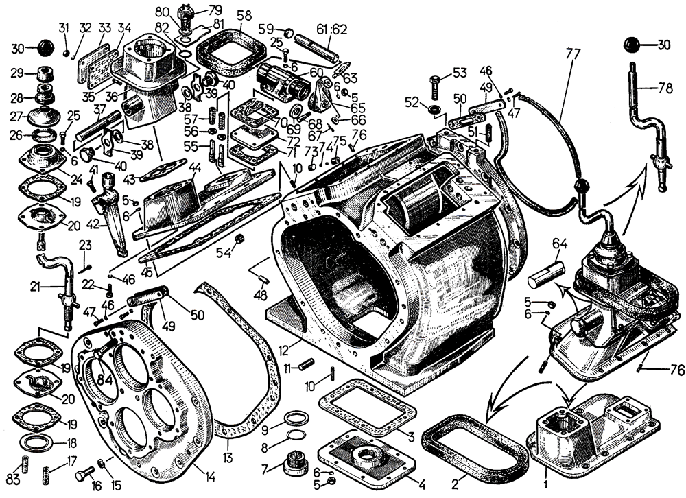
Корпус коробки передач на Т-130


/
с НДС 20%
Описание
Корпус коробки передач с крышками и механизм переключения передач на Т-130
# Номер запчасти Наименование детали Кол-во в сборке
15-12-129СП Корпус 2
18-12-156СП Корпус коробки передач 1
18-12-177СП Механизм переключения левый 1
18-12-178СП Механизм переключения правый 1
50-12-240СП Втулка 2
1 18-12-328 Крышка левая 1
2 700-40-3920 Прокладка 1
3 700-40-3780-1 Прокладка 1
4 24-12-8 Крышка 1
5 700-30-2099 Гайка 26
6 Шайба 10ОТ 65Г 09 4
7 01483СП Пробка 1
8 46588 Кольцо 1
9 40927СП Кольцо 1
10 700-29-2146 Шпилька 24
11 700-32-2012 Штифт 3
12 24-12-7 Корпус 1
13 700-40-2227 Прокладка 1
13 0280 Заглушка 2
14 18-12-182 Крышка 1
15 Шайба 16ОТ 65Г 09 8
16 28639 Болт 8
17 38325 Пружина 1
18 13360 Кольцо 1
19 40819 Прокладка 3
20 13317 Фланец шаровой 2
21 18-12-161СП Рычаг правый 1
22 28558 Болт 8
23 Шплинт 4×32 1
24 13318 Фланец шаровой 1
25 Болт М10×30.58.019 4
26 40820 Кольцо 1
27 13319 Крышка 1
28 46612 Колпачок 1
29 13591 Крышка 1
30 13310СП Рукоятка 1
31 Гайка М8×1.6.019 4
32 Шайба 8Т 65Г 09 4
33 18-12-246 Крышка 1
34 700-40-3072 Прокладка 11
35 Шпилька 4
36 18-12-330 Проставка 1
36 18-12-391 Проставка 1
37 18-12-412 Валик 1
38 40588 Прокладка 4
39 31368 Шайба 2
40 700-37-2154 Пробка 2
41 700-28-2336 Болт 2
42 18-12-410 Рычаг 1
43 700-40-5091 Прокладка 2
44 18-12-329 Крышка правая 1
45 700-40-3071 Прокладка 2
46 Шайба 12ОТ 65Г 09 16
47 Болт М12×30.58.019 8
48 700-32-2087 Штифт 2
49 18-12-325 Крышка 4
50 700-40-5089 Прокладка 14
51 700-29-2296 Шпилька 2
52 40911 Кольцо 2
53 Болт M16×30.58.019 2
54 20-12-87 Втулка 1
55 13338 Фиксатор 4
56 13339 Кольцо 4
57 38327 Пружина 4
58 700-40-3106 Кольцо 1
59 13358 Заглушка 2
60 15-12-157 Корпус 2
61 18-12-130 Валик левый 1
62 18-12-131 Валик правый 1
63 13356 Наконечник 2
64 18-12-413 Валик 1
65 13346 Рычаг 2
66 31308 Шайба 2
67 Шплинт 2×25 2
68 50-12-523 Стопор 2
69 40251СП Сальник 2
70 13342 Планка 2
71 700-40-2173 Прокладка 10
72 15-12-164 Плита направляющая 2
74 Шарик Б V 9,525 mm Н 4
75 18-12-121 Втулка 2
76 32333 Штифт 8
77 700-40-4786 Кольцо 1
78 18-12-162СП Рычаг левый 1
79 Выключатель ВК-403 1
80 21-12-50 Прокладка 8
81 18-12-411 Пластина 1
82 Кольцо 014-018-25-2-2 1
83 38551 Пружина 1
84 Болт М16×75.58.019 1
Корпус коробки передач