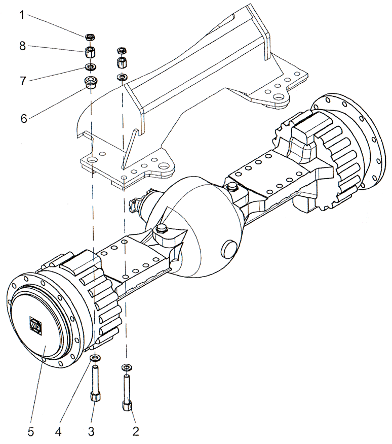
| Поз. | Обозначение | Наименование | Кол. | Масса |
| 1 | 027.13.12.227 | Гайка | 8 | 0,72 |
| 2 | 027.13.14.227 | Гайка | 8 | 2,24 |
| 3 | ПК46.04.00.025 | Шайба | 14 | 0,028 |
| 4 | ПК46.04.00.030 | Шпилька | 6 | 1,9 |
| 5 | Мост ведущий ОДМ.73.001-6 | 1 | 760 | |
| 6 | ПК46.04.00.025-01 | Шайба | 2 | 0,028 |
| 7 | ПК46.02.00.110 | Шпилька | 2 | 1,95 |
| 8 | ПК46.02.00.112 | Втулка | 2 | 0,55 |
| Общий вес, кг | 786,3 | |||
| ПК46.02.10.000 Установка переднего моста ПК46 | ||||
| 1 | ПК30.02.00.004 | Гайка | 14 | 0,05 |
| 2 | ПК30.02.00.010 | Шпилька | 12 | 0,9 |
| 3 | ПК30.02.00.020 | Шпилька | 2 | 1,0 |
| 4 | ПК30.02.00.003-01 | Шайба | 2 | 0,043 |
| 5 | Мост ведущий передний ZF MT-L 3085 4474 052 092 | 1 | 700 | |
| 6 | ПКЗО.02.00.005 | Втулка | 2 | 0,45 |
| 7 | ЛК30.02.00.003 | Шайба | 26 | 0,046 |
| 8 | ПКЗО.02.00.002 | Гайка | 14 | 0,2 |
| Общий вес, кг | 615 | |||
