Запасные части ЧТЗ Запасные части ЧТЗ
Самара
Например:
Актобе
Алдан
или
Выбрать автоматически
Актобе
Алдан
Алматы
Алчевск
Архангельск
Астана
Астрахань
Атырау
Баку
Балашиха
Барнаул
Белгород
Бердянск
Бишкек
Владивосток
Владикавказ
Воркута
Воронеж
Горловка
Грозный
Донецк
Екатеринбург
Иваново
Ижевск
Иркутск
Казань
Калининград
Каменск-Уральский
Караганда
Каховка
Кемерово
Киров
Комсомольск-на-Амуре
Костанай
Краснодар
Красноярск
Красный луч
Ленск
Луганск
Магадан
Магнитогорск
Макеевка
Махачкала
Мелитополь
Минск
Мирный (Якутия)
Москва
Мурманск
Нерюнгри
Нижневартовск
Нижний Новгород
Нижний Тагил
Новая каховка
Новокузнецк
Новосибирск
Новый Уренгой
Норильск
Ноябрьск
Нур-Султан
Омск
Оренбург
Ош
Павлодар
Пермь
Петрозаводск
Петропавловск
Петропавловск-Камчатский
Псков
Ростов-на-Дону
Салехард
Самара
Санкт-Петербург
Саратов
Севастополь
Семей
Симферополь
Сочи
Ставрополь
Сургут
Сыктывкар
Тараз
Ташкент
Токмак
Томск
Тында
Тюмень
Ульяновск
Усинск
Усть-Каменогорск
Уфа
Хабаровск
Ханты-Мансийск
Херсон
Челябинск
Чита
Шымкент
Экибастуз
Энергодар
Южно-Сахалинск
Якутск
Ваш город
Самара
Войти
Запасные части к тракторам на одном сайте
+7 (932) 303-00-10
+7 (932) 303-00-10
г. Самара, ул. Демократическая, д. 45а
Пн-Пт: 9:30-18:30 Cб-Вс: Выходной
Отправить заявку


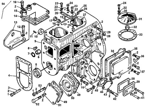
Корпус регулятора (новая схема) на Т-170


/
с НДС 20%
Описание
Корпус регулятора (новая схема) Т-170
Поз.АртикулНаименование
051-06-125СПКорпус регулятора
006307СПКрышка
006310СПКрышка
0Шайба 12 ОТ 65Г 09
13084Гайка
2Шайба 10 ОТ 65Г 09
3700-29-2463Шпилька
440748Прокладка
540976СПСальник
66304Втулка
740747Кольцо
8375-01Пробка
916-06-4-1Корпус регулятора
951-06-22Корпус регулятора
1040967СПСальник
1132249Штифт
12М10х40.58.019Болт
1351-06-11Проушина
1440987Прокладка
15Крышка 51-06-104СП
16М10х30.58.019Болт
176305Пробка-колпачок
18941/15Подшипник
19700-32-2182Штифт
2040962Прокладка
216311Крышка
228Т 65Г 09Шайба
2328473Болт
24М8х20.58.019Болт
2563577Прокладка
2646170Прокладка
26700-40-20011Прокладка
276306Трубка
28М10-6.019Гайка
29М10-6gх170.58С.019Болт
3031386-1Шайба
3106308-2Крышка
326309Втулка
3340961Прокладка
3440963Прокладка
3506312-2Крышка
36700-28-2455Болт
37М10х18.58.019Болт
38Прокладка 40964
3906562-2Крышка
4040975Кольцо
41700-28-2190Болт
42М10х20.58.019Болт
4331308Шайба
4451-06-16Крышка
45Прокладка 40965
4641242Штуцер
4732248Штифт
4832247Штифт
49700-40-2631Прокладка
50Плита 50-26-830
5151-06-3Крышка
52М10x45.58.019Болт
53700-29-2194Шпилька
5414-06-108СПКорпус
Корпус регулятора (новая схема)