Запасные части ЧТЗ Запасные части ЧТЗ
Самара
Например:
Актобе
Алдан
или
Выбрать автоматически
Актобе
Алдан
Алматы
Алчевск
Архангельск
Астана
Астрахань
Атырау
Баку
Балашиха
Барнаул
Белгород
Бердянск
Бишкек
Владивосток
Владикавказ
Воркута
Воронеж
Горловка
Грозный
Донецк
Екатеринбург
Иваново
Ижевск
Иркутск
Казань
Калининград
Каменск-Уральский
Караганда
Каховка
Кемерово
Киров
Комсомольск-на-Амуре
Костанай
Краснодар
Красноярск
Красный луч
Ленск
Луганск
Магадан
Магнитогорск
Макеевка
Махачкала
Мелитополь
Минск
Мирный (Якутия)
Москва
Мурманск
Нерюнгри
Нижневартовск
Нижний Новгород
Нижний Тагил
Новая каховка
Новокузнецк
Новосибирск
Новый Уренгой
Норильск
Ноябрьск
Нур-Султан
Омск
Оренбург
Ош
Павлодар
Пермь
Петрозаводск
Петропавловск
Петропавловск-Камчатский
Псков
Ростов-на-Дону
Салехард
Самара
Санкт-Петербург
Саратов
Севастополь
Семей
Симферополь
Сочи
Ставрополь
Сургут
Сыктывкар
Тараз
Ташкент
Токмак
Томск
Тында
Тюмень
Ульяновск
Усинск
Усть-Каменогорск
Уфа
Хабаровск
Ханты-Мансийск
Херсон
Челябинск
Чита
Шымкент
Экибастуз
Энергодар
Южно-Сахалинск
Якутск
Ваш город
Самара
Войти
Запасные части к тракторам на одном сайте
+7 (932) 303-00-10
+7 (932) 303-00-10
г. Самара, ул. Демократическая, д. 45а
Пн-Пт: 9:30-18:30 Cб-Вс: Выходной
Отправить заявку


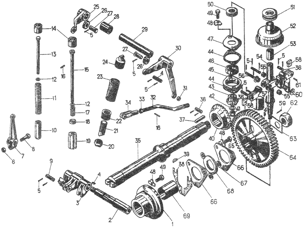
Регулятор дизеля на Т10М / Б10М


/
с НДС 20%
Описание
Регулятор дизеля Т10М
#Номер запчастиНаименование деталиКол-во в сборке
-51-06-14СПРегулятор (для дизеля мощностью 180 л. с.) 1
-51-06-14-01СПРегулятор (для дизеля мощностью 140 л. с.)
106368Корпус1
206339Валик1
306340-1Рычаг1
4341Шпонка1
551-06-44Шплинт8
6-Гайка М8-6Н.6.0191
716-06-13-1Рычаг1
82848Болт1
906347Палец2
1006353Упор минимальной подачи1
1138349Пружина1
1231365Шайба2
1351-06-128СПБолт минимальной подачи1
1406348Муфта2
1506375СПБолт максимальной подачи1
16700-32-2181Штифт1
1738348Пружина1
1806350Колпачок1
1906351Упор максимальной подачи1
203031-2Гайка1
2106346Наконечник1
2206345Наконечник1
23700-38-2874Пружина1
2406592Наконечник1
2551-06-2Рычаг1
2606334Ролик2
2706335Валик2
2806332Втулка1
2906331-1Валик1
3051-06-1Рычаг1
3106338Втулка1
3251-06-41Тяга1
33-Гайка М6.6.0192
3451-06-5Вилка2
3551-06-40Вал привода1
3606322Ось1
3734116Шпонка1
3814-06-3Прокладка10
393432
-
Шпонка
Шпонка 3×6,5
1
4006370-1Шестерня1
4130225Гайка1
4231363Шайба1
4306324Шестерня1
4406327Прокладка12
4506593Корпус1
46-Подшипник 2031
4706576Фланец1
4831366-01Шайба3
49-Болт М8х20.58.01910
50-Подшипник 81041
51-Подшипник 82051
5206534-1Муфта регулятора1
5306330Втулка1
5406583Валик1
5506318Втулка4
5606323Ось2
5729-06-2
06585 1
Груз регулятора2
5806321Сухарь2
59-Шплинт 2x16.0191
6031386-1Шайба4
6132251Штифт1
6230227Гайка1
6331364Пластина стопорная1
6429-06-1Шестерня1
65-Болт М8х25.88.35.0193
6606363Плита2
6706364Втулка3
6806615Шайба1
6967205Втулка1
1 Для дизеля с номинальной частотой вращения коленчатого вала 1070 об/мин.
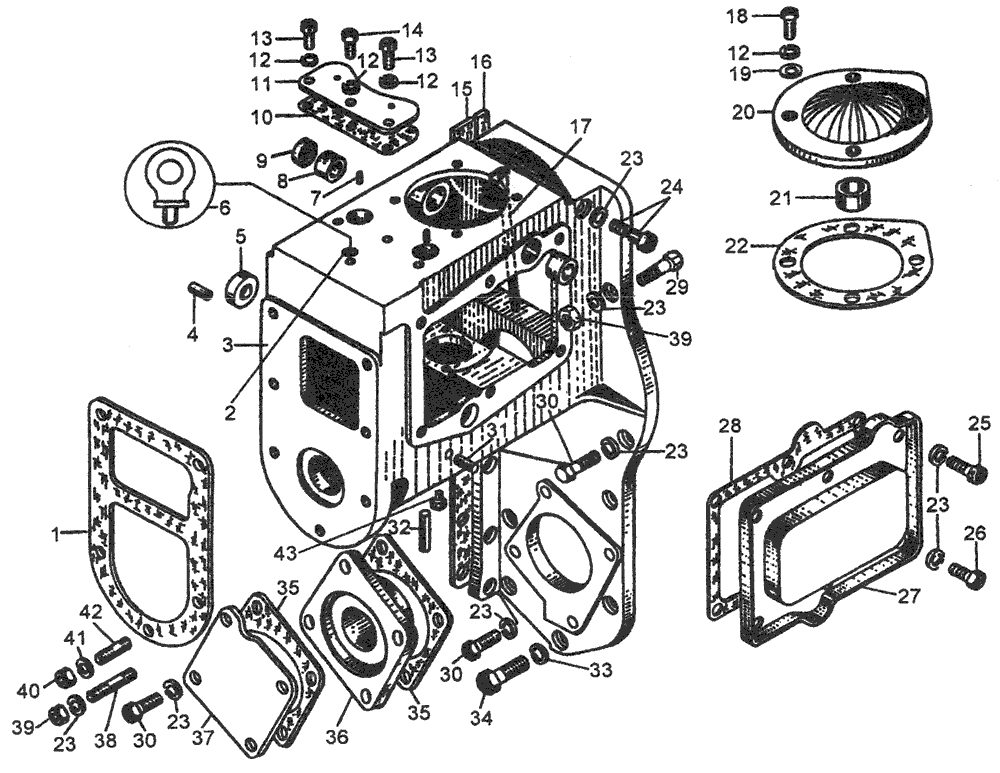
Корпус регулятора дизеля Т10М
#Номер запчастиНаименование деталиКол-во в сборке
140748Прокладка1
23197-02Шайба1
351-06-22Корпус регулятора1
4700-32-2191Штифт1
5-Манжета 1.2-15x30-11
651-06-43Рым-болт1
7700-32-2182Штифт2
8-Подшипник 941/152
906305Заглушка1
1040962Прокладка1
1106310СП 1
06311
Крышка1
12-Шайба 8Т 65Г 097
1328473Болт2
14, 18-Болт М8х20.58.0191
1506577Прокладка3
1646170Прокладка1
1706306Трубка1
1931386-1Шайба4
2006307СП 2
06308-2 2
Крышка1
2106309 2Втулка1
2240961Прокладка1
23-Шайба 10 ОТ 65Г 096
24-Болт М10-6gх170.58.0191
25700-28-2455Болт2
26-Болт М10х20.58.0194
2706312-2Крышка1
2840963-1Прокладка2
29-Болт М10х40.58.0191
30-Болт М10х30.58.01912
31700-32-2192Штифт1
32700-32-2200Штифт1
33-Шайба 12 ОТ 65Г 091
3428579Болт1
35700-40-2631Прокладка2
3650-26-830-1Плита1
3751-06-3Крышка1
38700-29-2194Шпилька3
39-Гайка М10.6.0193
403084Гайка6
41353-07-1Шайба1
42700-29-2463Шпилька7
43379Пробка1
1 Заказывать комплектно 06310СП Крышка.
2 Заказывать комплектно 06307СП Крышка.
Регулятор дизеля